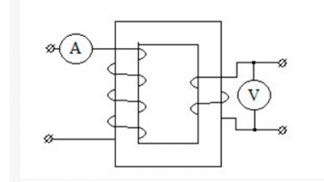
Две катушки (X1=8 Ом, X3 = 2 Ом) намотаны на общий сердечник (см. рисунок). Амперметр показывает 3,5 А. Что покажет вольтметр, если коэффициент связи можно считать равным единице? ![]()
Другие предметы Колледж Электрические цепи переменного тока электротехника колледж катушки амперметр вольтметр коэффициент связи задача по электричеству общая схема расчет напряжения электрические цепи
Для решения этой задачи нам необходимо определить, какое напряжение будет на катушках при заданном токе. Давайте разберем шаги, которые помогут нам найти ответ.
Поскольку катушки намотаны на общий сердечник и коэффициент связи равен единице, мы можем считать, что их сопротивления складываются. Поэтому общее сопротивление (R) будет равно:
Мы знаем, что закон Ома гласит, что напряжение (U) равно произведению тока (I) на общее сопротивление (R):
В нашем случае ток (I) равен 3,5 А, а общее сопротивление (R) равно 10 Ом:
Таким образом, вольтметр покажет 35 В. Ответ: 35 В.