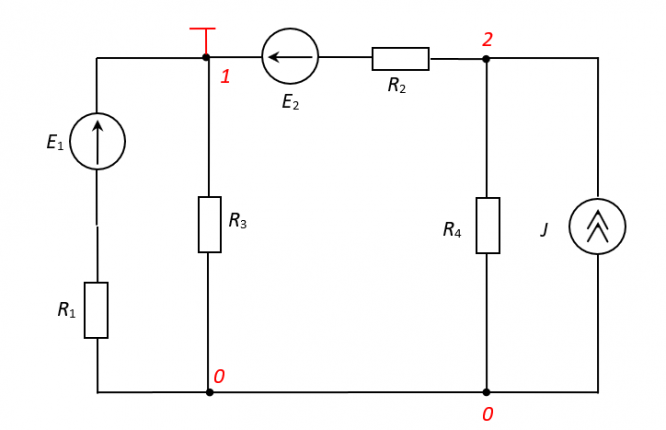
Другие предметы Колледж Анализ электрических цепей токи в ветвях базовый узел узел 1 направление токов электрическая цепь элементы R3 источники ЭДС изменение токов электротехника колледж анализ цепей
Чтобы ответить на вопрос о том, как изменятся токи в ветвях цепи при выборе узла 1 в качестве базового, необходимо рассмотреть несколько аспектов, связанных с анализом электрических цепей.
1. Понимание базового узла: Базовый узел – это точка, от которой мы начинаем анализировать цепь. Выбор базового узла влияет на направление и величину токов в цепи, так как токи могут быть определены относительно этого узла.
2. Направление токов: Если в предыдущем анализе токи были определены в определенном направлении (например, от источника к нагрузке), то при изменении базового узла это направление может измениться. Токи, которые были положительными, могут стать отрицательными, и наоборот.
3. Рассмотрение ветвей: Ветви с источниками ЭДС (например, E1-R1 и E2-R2) могут иметь свои собственные токи, которые будут зависеть от выбранного базового узла. Если мы изменим базовый узел, то токи в этих ветвях могут измениться.
4. Анализ вариантов: Теперь давайте рассмотрим предложенные варианты:
Таким образом, правильный ответ зависит от конкретной конфигурации цепи и того, как именно токи были определены в первоначальном анализе. Если токи были выбраны в одном направлении, то при изменении базового узла они могут поменять свое направление, что приведет к изменению их знаков. Поэтому, вероятно, правильный вариант может быть первым или вторым, в зависимости от деталей цепи.