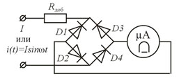
Функциональная схема может содержать несколько типов ошибок, которые могут повлиять на ее работоспособность и точность измерений. Давайте разберем указанные вами ошибки по порядку:
- Лишний резистор R:
- Если резистор не предусмотрен в схеме, его наличие может привести к изменению параметров цепи, что скажется на результатах измерений.
- Важно проверить, действительно ли резистор необходим, или его можно удалить без ущерба для работы схемы.
- Неправильное включение диода D4:
- Диоды имеют полярность, и неправильное подключение может привести к их повреждению или к неправильной работе всей схемы.
- Необходимо проверить, как именно должен быть подключен диод D4, и внести соответствующие изменения.
- Д.б. использован другой тип измерительного механизма:
- Разные типы измерительных механизмов могут иметь разные характеристики и принцип работы.
- Использование неподходящего механизма может привести к ошибкам в измерениях, поэтому важно удостовериться, что выбран правильный тип.
- Неправильное включение диода D1:
- Как и в случае с диодом D4, важно следить за полярностью подключения диода D1.
- Неправильное подключение может вызвать короткое замыкание или другие неисправности в цепи.
- Неправильное включение диода D3:
- Аналогично предыдущим пунктам, важно удостовериться в правильности подключения диода D3.
- Неправильное включение может привести к неправильной работе схемы и искажению результатов измерений.
Таким образом, для устранения ошибок в функциональной схеме необходимо внимательно проверить каждую деталь, убедиться в правильности подключения элементов и соответствии используемых компонентов требованиям схемы. Это поможет избежать неисправностей и повысить точность измерений.