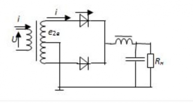
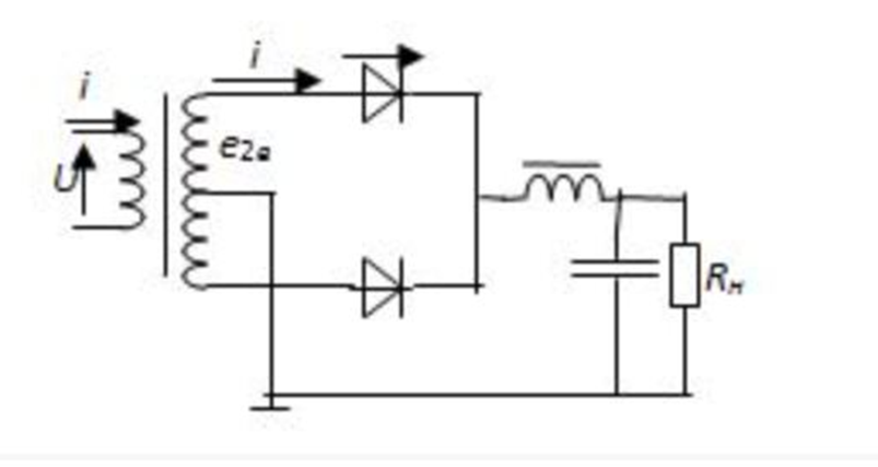
Какую форму имеет напряжение на нагрузке, в схеме?
![]()
Другие предметы Колледж Форма напряжения на нагрузке в электрических цепях напряжение на нагрузке форма напряжения схема нагрузки электроника колледж изучение электроники электрические схемы нагрузка в электронике
Чтобы понять, какую форму имеет напряжение на нагрузке в электрической схеме, необходимо рассмотреть несколько факторов, включая тип цепи, тип источника питания и характеристики нагрузки.
1. Тип источника питания:Таким образом, форма напряжения на нагрузке зависит от типа источника питания и характеристик самой нагрузки. Важно учитывать, что в реальных схемах могут быть различные искажения, которые также влияют на форму сигнала на нагрузке.