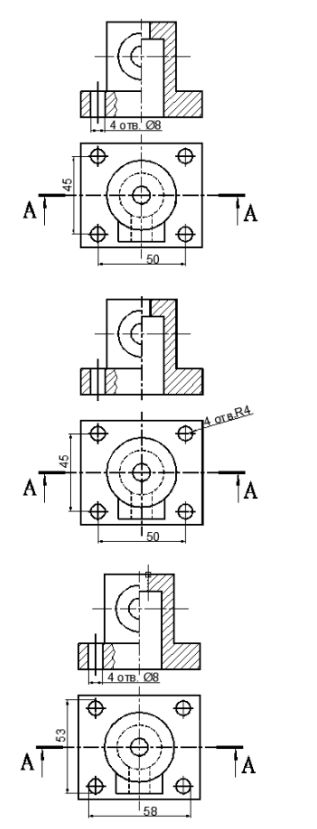
Для того чтобы определить, на каком изображении размеры проставлены правильно, необходимо учитывать несколько важных аспектов, связанных с правилами инженерной графики. Давайте разберем шаги, которые помогут вам сделать правильный выбор:
    - Проверьте единицы измерения: Убедитесь, что все размеры указаны в одной и той же системе единиц (например, миллиметры или сантиметры). Смешивание единиц может привести к ошибкам.
- Обратите внимание на масштабы: Если изображение выполнено в масштабе, убедитесь, что размеры соответствуют этому масштабу. Например, если масштаб 1:2, то размеры на изображении должны быть в два раза меньше, чем реальные размеры объекта.
- Проверьте расположение размеров: Размеры должны быть проставлены так, чтобы они не пересекались с линиями и другими размерами. Это делает их более читаемыми.
- Сравните размеры с оригиналом: Если у вас есть оригинал или чертеж, сравните указанные размеры с теми, что на оригинале. Все размеры должны совпадать.
- Проверьте правильность обозначений: Убедитесь, что размеры обозначены правильно, например, длины, ширины, высоты и диаметры должны быть указаны соответствующим образом.
После выполнения этих шагов вы сможете определить, на каком изображении размеры проставлены правильно. Если у вас есть конкретные изображения для анализа, примените эти критерии к каждому из них.