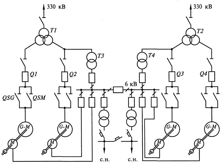
На основе вашего вопроса, давайте разберем, что такое ГАЭС, ГЭС, ТЭЦ и АЭС, а также их особенности. Это поможет вам лучше понять, какая схема может быть представлена на вашей схеме.
- ГАЭС (Гидроаккумулирующая электростанция) - это электростанция, которая использует воду для накопления и выработки электроэнергии. Она включает в себя обратимые гидроагрегаты, которые могут работать как накачивающие, так и генераторные установки. В часы пик вода спускается из верхнего резервуара, проходя через турбины, и вырабатывая электричество. В часы низкого спроса, когда электроэнергия не так нужна, излишки энергии используются для перекачки воды обратно в верхний резервуар.
- ГЭС (Гидроэлектростанция) - это электростанция, которая использует энергию падающей или текущей воды для выработки электричества. ГЭС обычно имеет постоянный поток воды и не предназначена для накопления энергии.
- ТЭЦ (Теплоэлектроцентраль) - это комбинированная электростанция, которая вырабатывает как электрическую, так и тепловую энергию. Она использует топливо (уголь, газ, мазут) для генерации пара, который затем приводит в движение турбины для выработки электроэнергии.
- АЭС (Атомная электростанция) - это электростанция, которая использует ядерную реакцию для получения тепла, которое затем используется для выработки электроэнергии. АЭС также может обеспечивать тепло для отопления.
Теперь, когда мы разобрали основные типы электростанций, давайте подытожим:
- Если на схеме изображены обратимые гидроагрегаты, то это скорее всего ГАЭС.
- Если схема показывает только турбины и генераторы, работающие от потока воды, то это ГЭС.
- Если на схеме изображены котлы и паровые турбины, то это ТЭЦ.
- Если на схеме есть реакторы и паровые генераторы, то это АЭС.
Таким образом, для определения, какая именно схема представлена, необходимо внимательно рассмотреть элементы на схеме и их функциональное назначение. Если вы предоставите больше деталей о схеме, я смогу помочь вам более точно определить, к какому типу электростанции она относится.