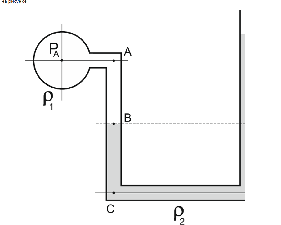
Чтобы определить давление в точке А на рисунке, необходимо учитывать несколько факторов, таких как высота столба жидкости, плотность жидкости и наличие внешних сил, действующих на жидкость. Давайте разберем этот процесс шаг за шагом.
- Определите высоту столба жидкости: Измерьте вертикальное расстояние от поверхности жидкости до точки А. Это расстояние будет использоваться для вычисления давления.
- Узнайте плотность жидкости: Плотность жидкости (обычно обозначается как ρ) можно найти в справочных материалах. Например, плотность воды составляет примерно 1000 кг/м³.
- Используйте формулу для расчета давления: Давление в точке А можно рассчитать с помощью формулы:
P = ρ * g * h
- P - давление в точке А (в Паскалях)
- ρ - плотность жидкости (в кг/м³)
- g - ускорение свободного падения (примерно 9.81 м/с²)
- h - высота столба жидкости (в метрах)
- Подставьте значения в формулу: После того как вы определили высоту и узнали плотность жидкости, подставьте эти значения в формулу, чтобы получить давление в точке А.
- Учтите дополнительные факторы: Если в системе есть дополнительные силы, такие как атмосферное давление или давление от других частей системы, их также нужно учитывать в общем давлении. Например, если в системе имеется атмосферное давление, оно может добавляться к рассчитанному давлению.
Таким образом, следуя этим шагам, вы сможете определить давление в точке А. Если у вас есть конкретные значения для высоты, плотности и других факторов, вы можете подставить их в формулу и получить численный ответ.