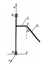
Невесомый стержень 1 и однородный стержень 2 массы 10 кг вращаются с постоянной скоростью 2 рад/с вокруг вертикальной оси. Угол наклона 45 град. Длины стержней L1=1 м, L2=2 м. Найти модуль главного вектора сил инерции, действующих на второй стержень.

Другие предметы Колледж Динамика вращательного движения теоретическая механика коледж невесомый стержень однородный стержень вращение вертикальная ось угол наклона силы инерции модуль вектора физика механика задачи по механике
Для решения данной задачи нам нужно определить модуль главного вектора сил инерции, действующих на второй стержень. Сначала давайте разберемся с тем, какие силы действуют на стержень 2, и как они связаны с его движением.
Шаг 1: Определение угла наклона и его влияние на силы.
Шаг 2: Вычисление центростремительного ускорения.
Центростремительное ускорение (a_c) можно вычислить по формуле:
a_c = ω² * r,
где ω - угловая скорость, а r - расстояние от оси вращения до центра масс стержня.
Для нахождения r, учтем, что длина стержня L2 = 2 м, и он наклонен под углом 45 градусов. Расстояние от оси вращения до центра масс будет равно:
r = (L2 / 2) * cos(45°) = (2 / 2) * (1/√2) = 1/√2 м.
Теперь подставим значения в формулу для центростремительного ускорения:
a_c = (2 рад/с)² * (1/√2) = 4 * (1/√2) = 4/√2 м/с².
Шаг 3: Вычисление силы инерции.
Сила инерции (F_in) определяется как:
F_in = m * a_c,
где m - масса стержня 2, равная 10 кг.
Теперь подставим значения:
F_in = 10 кг * (4/√2 м/с²) = 40/√2 Н.
Шаг 4: Модуль главного вектора сил инерции.
Так как стержень наклонен под углом 45 градусов, модуль главного вектора сил инерции будет равен:
F_in = 40/√2 Н ≈ 28.28 Н.
Ответ: Модуль главного вектора сил инерции, действующих на второй стержень, составляет примерно 28.28 Н.