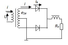
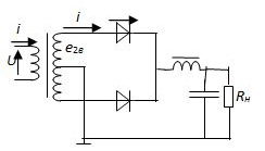
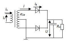
При каком из приведенных фильтрах коэффициент пульсации на нагрузке практически не зависит от величины тока нагрузки?



Другие предметы Колледж Фильтры в цепях постоянного тока промышленная электроника колледж коэффициент пульсации фильтры ток нагрузки нагрузка на фильтре электроника в колледже
Чтобы ответить на этот вопрос, давайте сначала рассмотрим, что такое коэффициент пульсации и как он связан с различными типами фильтров.
Коэффициент пульсации (или коэффициент ряби) — это мера того, насколько сильно изменяется напряжение на выходе фильтра в зависимости от времени. Он показывает, насколько стабильно напряжение на нагрузке, и обычно стремятся к тому, чтобы этот коэффициент был как можно меньше.
Существует несколько типов фильтров, которые используются для сглаживания пульсаций в электрических цепях:
Таким образом, стабилизирующий фильтр будет наиболее подходящим вариантом, если мы стремимся к тому, чтобы коэффициент пульсации на нагрузке практически не зависел от величины тока нагрузки.