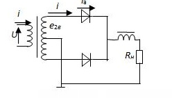
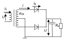
При каком из приведенных фильтрах коэффициент пульсации на нагрузке практически не зависит от величины тока нагрузки?


Другие предметы Колледж Фильтры в схемах выпрямления схемотехника колледж коэффициент пульсации фильтры ток нагрузки электрические цепи анализ фильтров
Чтобы ответить на этот вопрос, необходимо рассмотреть различные типы фильтров, используемых в схемотехнике, и их влияние на коэффициент пульсации на нагрузке в зависимости от величины тока нагрузки.
Существует несколько основных типов фильтров:
Теперь рассмотрим каждый из них:
Таким образом, фильтры, которые обеспечивают минимальную зависимость коэффициента пульсации от величины тока нагрузки, это, в первую очередь, индуктивные фильтры. Они могут поддерживать стабильный коэффициент пульсации благодаря своей способности накапливать и отдавать энергию в виде магнитного поля.