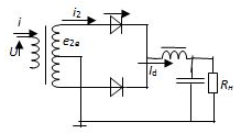
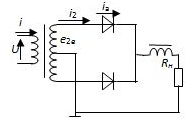
При каком из приведенных фильтрах выпрямитель работает в режиме прерывистого тока ld( ток на выходе выпрямителя)?



Другие предметы Колледж Выпрямительные схемы и фильтры промышленная электроника колледж выпрямитель режим прерывистого тока ток на выходе фильтры выпрямителя
Чтобы определить, при каком из приведенных фильтров выпрямитель работает в режиме прерывистого тока, необходимо рассмотреть основные характеристики фильтров и режимы работы выпрямителей.
Режимы работы выпрямителей:
Теперь рассмотрим фильтры, которые могут использоваться с выпрямителями:
Определение режима работы:
Таким образом, для того чтобы выпрямитель работал в режиме прерывистого тока, необходимо, чтобы емкость фильтра была недостаточной для поддержания заряда между импульсами тока. Это может происходить, например, при использовании фильтра с малой емкостью или при наличии значительных нагрузок, которые требуют больше энергии, чем может предоставить фильтр.
Если у вас есть конкретные примеры фильтров, пожалуйста, укажите их, и я помогу вам определить, при каком из них выпрямитель будет работать в режиме прерывистого тока.