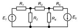
Пусть для электрической цепи № 1 контурный ток I11 протекает через ветви с сопротивлениями R1 R2по часовой стрелке (первый контур), а контурный ток I22 протекает через ветви с сопротивлениями R2, R3 R4 также по часовой стрелке (второй контур).
Чему равно взаимное контурное сопротивление первого и второго контура?
Другие предметы Колледж Взаимное контурное сопротивление в цепях с несколькими контурами электротехника колледж контурный ток взаимное сопротивление электрическая цепь сопротивления ветви цепи анализ цепей
Для нахождения взаимного контурного сопротивления между двумя контурами в электрической цепи, необходимо рассмотреть, как контурные токи влияют друг на друга через общие элементы цепи. В данном случае у нас есть два контура с токами I11 и I22, которые имеют общее сопротивление R2.
Шаги для нахождения взаимного контурного сопротивления:
где U1 - напряжение на первом контуре.
где U2 - напряжение на втором контуре.
Знак «минус» указывает на то, что токи в контурах направлены в разные стороны относительно общего элемента R2.
Это означает, что изменение тока в одном контуре приводит к изменению напряжения в другом контуре через общее сопротивление R2. Надеюсь, это объяснение помогло вам понять, как находить взаимное контурное сопротивление.