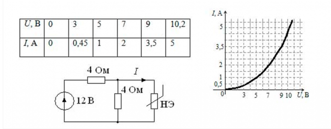
Вольтамперная характеристика нелинейного элемента задана таблично и графически. Определить ток в ветви с нелинейным элементом. 
Другие предметы Колледж Вольтамперные характеристики нелинейных элементов электротехника колледж вольтамперная характеристика нелинейный элемент ток в ветви решение задачи графическое представление табличные данные
Для решения задачи о нахождении тока в ветви с нелинейным элементом, необходимо учитывать, что вольтамперная характеристика (ВАХ) нелинейного элемента может быть представлена в табличной или графической форме. Давайте разберем шаги, которые помогут определить ток в данной ветви.
Шаг 1: Понимание вольтамперной характеристикиВАХ показывает зависимость тока от напряжения для данного элемента. В случае нелинейного элемента эта зависимость не является прямой линией, как для линейных элементов (например, резисторов).
Шаг 2: Изучение данныхИз условия задачи мы видим, что даны значения тока: 1 А, 2.2 А и 3 А. Однако, чтобы определить ток в ветви, нам нужно знать соответствующее напряжение, приложенное к нелинейному элементу. Если у нас есть график или таблица, мы можем найти необходимую точку.
Шаг 3: Нахождение точки на ВАХЕсли ВАХ нелинейного элемента не задана для больших значений, это может означать, что значения тока не могут быть определены для определенных диапазонов напряжения. В этом случае необходимо уточнить, какие именно значения напряжения и тока вас интересуют.
Шаг 5: ВыводЕсли у вас есть конкретные значения напряжения, при которых необходимо определить ток, используйте ВАХ для нахождения соответствующего тока. Если же данных недостаточно или они не охватывают нужный диапазон, то действительно, решить задачу не получится.
Таким образом, чтобы ответить на ваш вопрос, нужно больше информации о напряжении и форме ВАХ. Если у вас есть дополнительные данные, пожалуйста, предоставьте их для более точного анализа.