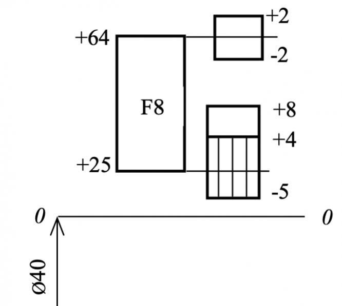
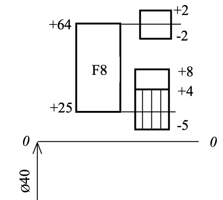
Чему равен допуск на изготовление калибра Ø40F8 – НЕ?
 
                                                                                                    
                                                
                                                                                                Другие предметы Университет Допуски и посадки метрология стандартизация сертификация калибр допуск Ø40F8 изготовление нормы требования измерения
Для определения допуска на изготовление калибра Ø40F8, необходимо понимать, что обозначение "F8" указывает на класс точности и размеры допусков. В данном случае, "F" обозначает, что это калибр, а "8" - это класс точности. Классы точности в метрологии определяют предельные отклонения для размеров деталей.
В соответствии с таблицами допусков и посадок, для калибров с обозначением "F8" на размер 40 мм, допустимые отклонения составляют:
Чтобы найти общий допуск, нужно вычесть нижний допуск из верхнего:
Таким образом, общий допуск на изготовление калибра Ø40F8 составляет 30 мкм.
Однако, в вашем вопросе приведены варианты ответов, среди которых нет 30 мкм. Возможно, стоит уточнить исходные данные или варианты ответов, так как расчет показывает, что правильный ответ - 30 мкм.