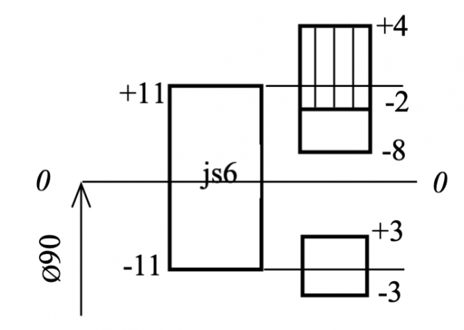
Чему равен исполнительный размер калибра 50js 6 – ПР?
Другие предметы Университет Исполнительные размеры и их определение метрология стандартизация сертификация университет калибры исполнительный размер калибр 50js 6 измерения точность измерений контроль качества
Исполнительный размер калибра обозначается как размер, который должен соответствовать определённому стандарту или спецификации. В данном случае, калибр 50js 6 имеет свои параметры, которые нужно учитывать для определения исполнительного размера.
Сначала давайте разберемся с обозначением:
Теперь, чтобы найти исполнительный размер, нам нужно учитывать, что для калибров с обозначением "js" существуют определённые допуски. Для класса точности "js 6" допустимые отклонения могут быть следующими:
Так как мы не имеем конкретных данных о допусках для класса "js 6", мы можем воспользоваться общими значениями. Обычно для классов "js" допускается следующее:
Теперь, имея основной размер в 50 мм, мы можем рассчитать верхний и нижний пределы:
Теперь мы можем посмотреть на предложенные варианты:
Сравнивая эти значения с рассчитанными пределами, мы видим, что ни одно из предложенных значений не попадает в диапазон допустимых отклонений для калибра 50js 6. Это может означать, что в вопросе произошла ошибка или недоразумение с указанием размеров.
Если мы предположим, что размеры должны были быть в диапазоне около 50 мм, то, возможно, правильный исполнительный размер не был указан. Пожалуйста, уточните информацию о калибре или проверьте размеры еще раз.