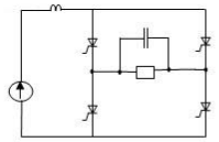
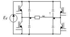
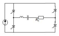
Какая из приведенных схем является схемой автономного инвертора напряжения? 
 



Другие предметы Университет Автономные инверторы напряжения схема автономного инвертора инвертор напряжения промышленная электроника электрические схемы учебный вопрос электроника
Автономный инвертор напряжения – это устройство, которое преобразует постоянное напряжение в переменное без подключения к сети. Чтобы определить, какая из схем является схемой автономного инвертора, давайте рассмотрим основные элементы, которые могут быть в такой схеме:
Теперь, имея представление о типичных компонентах автономного инвертора, вы можете сравнить их с предложенными схемами. Схема, которая содержит все или большинство из перечисленных элементов, вероятнее всего, является схемой автономного инвертора напряжения.
Если у вас есть конкретные схемы, которые вы хотите рассмотреть, пожалуйста, опишите их или перечислите основные компоненты, и я помогу вам определить, какая из них может быть схемой автономного инвертора.