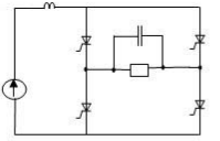
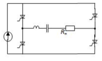
Какая из приведенных схем является схемой автономного инвертора резонансного?



Другие предметы Университет Автономные инверторы автономный инвертор резонансная схема промышленная электроника университет схемы инверторов
Чтобы определить, какая из приведенных схем является схемой автономного инвертора резонансного типа, давайте сначала разберемся с основными характеристиками и принципами работы таких инверторов.
Автономный инвертор резонансного типа – это устройство, которое преобразует постоянный ток (DC) в переменный ток (AC) с использованием резонансных цепей. Основные характеристики этой схемы включают:
Теперь, чтобы определить, какая из схем является резонансным инвертором, вам нужно обратить внимание на следующие моменты:
Если вы сможете найти схему, которая соответствует этим критериям, то это и будет автономный инвертор резонансного типа. Если у вас есть конкретные схемы, которые нужно проанализировать, вы можете описать их, и я помогу вам определить, какая из них соответствует требованиям.