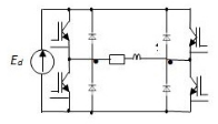
Какая из приведенных схем является схемой автономного инвертора тока?



Другие предметы Университет Схемы инверторов и преобразователей энергии промышленная электроника автономный инвертор схемы инверторов электрические схемы инвертор тока учебные схемы университетская программа электроника для студентов
Чтобы определить, какая из приведенных схем является схемой автономного инвертора тока, давайте сначала разберемся, что такое автономный инвертор и его основные характеристики.
Автономный инвертор тока - это устройство, которое преобразует постоянный ток (DC) в переменный ток (AC) и может работать независимо от внешних источников питания. Такие инверторы часто используются в системах солнечной энергетики, ветряных генераторах и других автономных источниках энергии.
Теперь рассмотрим основные компоненты, которые должны присутствовать в схеме автономного инвертора:
Теперь, когда мы знаем, что искать, мы можем проанализировать предложенные схемы. Вот шаги, которые помогут вам сделать правильный выбор:
Сравнив все схемы по этим критериям, вы сможете определить, какая из них является схемой автономного инвертора тока. Если у вас есть конкретные схемы, которые вы хотите проанализировать, опишите их, и я помогу вам с выбором.