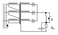
Чтобы ответить на этот вопрос, нам нужно понять, в какой электрической цепи используется ключ К и как он влияет на среднее значение напряжения на нагрузке. Рассмотрим общий подход к решению подобных задач:
- Определите тип цепи: Убедитесь, что вы понимаете, о какой цепи идет речь. Это может быть простая резистивная цепь, цепь с индуктивностью, емкостью или их комбинацией.
- Проанализируйте начальное состояние: Подумайте о том, какое напряжение на нагрузке присутствует до замыкания ключа К. Это может быть постоянное напряжение или переменное, в зависимости от источника питания.
- Проанализируйте состояние после замыкания ключа: Представьте, что произойдет в цепи после замыкания ключа. Это может включать изменение тока, напряжения или других параметров в зависимости от элементов цепи.
- Сравните средние значения: Определите, как изменится среднее значение напряжения на нагрузке после замыкания ключа. Это можно сделать, сравнив напряжение до и после замыкания.
Теперь давайте рассмотрим возможные сценарии:
- Если ключ К замыкает параллельный элемент: Например, если ключ замыкает резистор, подключенный параллельно нагрузке, среднее значение напряжения на нагрузке может уменьшиться из-за увеличения тока через параллельный резистор.
- Если ключ К замыкает последовательный элемент: Если ключ добавляет резистор последовательно с нагрузкой, среднее значение напряжения на нагрузке может уменьшиться из-за падения напряжения на этом резисторе.
- Если ключ К изменяет режим работы цепи: Например, в индуктивно-емкостной цепи замыкание ключа может изменить реактивные параметры, что повлияет на среднее значение напряжения на нагрузке.
Таким образом, чтобы точно ответить на вопрос, необходимо знать конкретную схему, в которой используется ключ К. Без этой информации невозможно однозначно утверждать, как изменится среднее значение напряжения на нагрузке.