Вопрос о виде кривой напряжения на нагрузке в электрической схеме зависит от нескольких факторов, в том числе от типа нагрузки и источника питания. Давайте рассмотрим основные случаи.
1. Постоянное напряжение:
- Если у нас есть источник постоянного напряжения (например, батарея), то кривая напряжения на нагрузке будет представлять собой горизонтальную линию на графике, поскольку напряжение остается постоянным во времени.
2. Переменное напряжение:
- Если источник питания - это переменное напряжение (например, сеть 220 В), то кривая напряжения будет синусоидальной. Это связано с тем, что переменное напряжение изменяется по синусоидальному закону.
- На графике кривая будет выглядеть как волна, где амплитуда соответствует максимальному значению напряжения, а период - времени, за которое напряжение проходит один полный цикл.
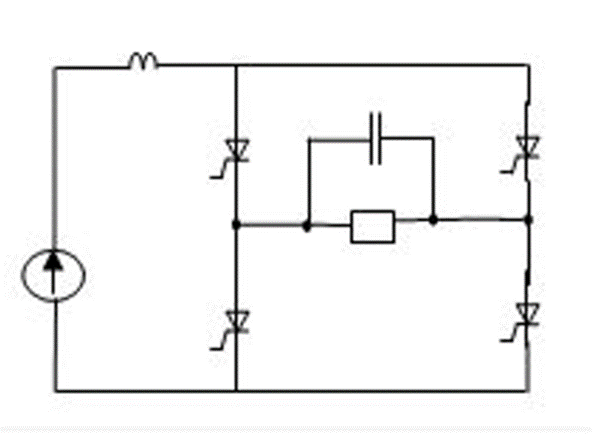
3. Нелинейные нагрузки:
- Если нагрузка является нелинейной (например, диоды, транзисторы), то форма кривой напряжения может значительно отличаться от синусоидальной. В этом случае кривая может иметь острые пики и провалы, в зависимости от характера нагрузки и её характеристик.
4. Резистивные и индуктивные нагрузки:
- При чисто резистивной нагрузке (например, лампочка) кривая будет синусоидальной и совпадать по фазе с током.
- При индуктивной нагрузке (например, электродвигатель) кривая напряжения может отставать по фазе от тока, что приводит к смещению синусоидальной кривой.
Таким образом, вид кривой напряжения на нагрузке зависит от типа источника и нагрузки. Для более точного анализа можно использовать осциллограф, который позволяет визуализировать напряжение на нагрузке в реальном времени.