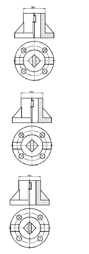
На каком изображении размер проставлен правильно? 
Другие предметы Университет Размерные обозначения инженерная графика размер изображения правильное проставление университет технический рисунок стандарты оформления графические документы обучение инженерной графике
Чтобы определить, на каком изображении размер проставлен правильно, нужно учитывать несколько важных аспектов, связанных с инженерной графикой и стандартами оформления чертежей. Давайте рассмотрим шаги, которые помогут вам в этом процессе:
После выполнения этих шагов вы сможете определить, на каком изображении размер проставлен правильно. Если у вас есть конкретные изображения для анализа, вы можете применить вышеуказанные критерии к ним.