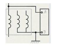
На рисунке изображена схема для ...

Другие предметы Университет Электробезопасность в системах теплоснабжения теплоснабжение зданий вентиляция зданий теплоэнергетика системы отопления проектирование вентиляции теплообменники устойчивость систем энергоэффективность теплоизоляция вентиляционные системы автоматизация отопления диагностика систем расчет теплопотерь вентиляция в учебных заведениях управление климатом зданий
Чтобы ответить на вопрос о том, что изображено на рисунке, необходимо понимать, как в электрических схемах измеряется сопротивление изоляции. Рассмотрим основные виды измерений сопротивления изоляции, которые могут быть представлены на схеме:
Чтобы точно определить, какая из этих ситуаций изображена на вашем рисунке, необходимо обратить внимание на то, как подключены провода и выводы измерительного прибора. Если, например, один вывод подключен к фазе, а другой к корпусу, то это будет схема для измерения сопротивления изоляции между фазой и корпусом. Аналогично, если выводы подключены между двумя фазами, то это схема для измерения сопротивления изоляции между фазами.