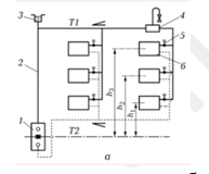
На рисунке изображена система отопления ... 
 
Другие предметы Университет Системы отопления зданий теплоснабжение зданий вентиляция зданий система отопления естественное побуждение однотрубная система двухтрубная система принудительное побуждение котёл теплообмен проектирование систем отопления университет теплоснабжение вентиляционные системы отопление и вентиляция учебная программа инженерные системы зданий
Для того чтобы понять, как работает система отопления с естественным и принудительным побуждением, давайте рассмотрим основные характеристики и принцип действия каждой из этих систем.
1. Однотрубная система с естественным побуждением:Таким образом, для определения типа системы отопления по рисунку, вам нужно обратить внимание на количество труб и наличие насоса. Если система однотрубная и нет насоса, то это будет однотрубная система с естественным побуждением. Если система двухтрубная и без насоса, то это двухтрубная система с естественным побуждением. Если же есть насос, то это система с принудительным побуждением, независимо от количества труб.