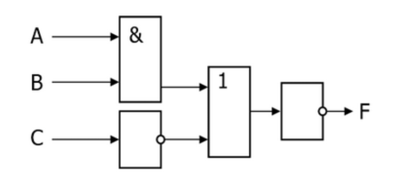
На входе логической схемы при F=1 возможна следующая комбинация сигналов (А, В, С) ...
- (0 0 1)
- (1 1 0)
- ( 1 1 1)
Другие предметы Университет Логические схемы и функции логическая схема входные сигналы комбинация сигналов информатика университет F=1 A B C цифровая логика учебный материал примеры задач теоретические основы
Чтобы определить, какая комбинация сигналов (A, B, C) приводит к тому, что на выходе логической схемы F=1, нам нужно рассмотреть возможные логические операции, которые могут быть задействованы в этой схеме. Обычно это такие операции, как И (AND), ИЛИ (OR), НЕ (NOT), ИСКЛЮЧАЮЩЕЕ ИЛИ (XOR) и их комбинации. Давайте разберем каждый из предложенных вариантов:
Для того чтобы F=1 при входных данных (0 0 1), логическая схема должна содержать такую комбинацию операций, которая превращает данную комбинацию входных сигналов в единицу на выходе. Например, если схема использует операцию ИЛИ (OR), то F=1, так как хотя бы один входной сигнал равен 1.
Аналогично, если F=1 при входных данных (1 1 0), то схема может использовать операцию И (AND) между A и B, так как оба равны 1. Однако C=0, и если схема включает C в операцию И (AND), то F будет равен 0. Поэтому схема может использовать операцию ИЛИ (OR) или игнорировать C, чтобы получить F=1.
Если F=1 при входных данных (1 1 1), то схема может использовать операцию И (AND), так как все входные сигналы равны 1, что приводит к F=1. Также возможна операция ИЛИ (OR), которая также даст F=1.
Чтобы точно определить, какая из комбинаций приводит к F=1, необходимо знать, какие именно логические операции используются в данной схеме. Без этой информации мы можем только предполагать на основе типичных операций, используемых в логических схемах.