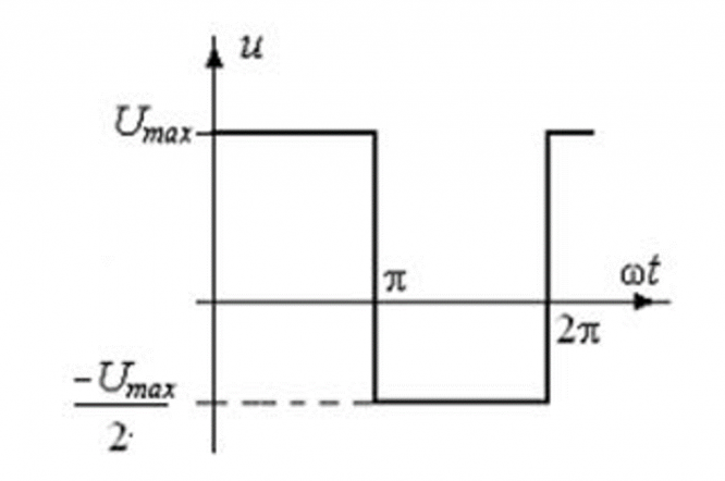
Найти показания измеряющих напряжение u(t) приборов различных систем: а) магнитоэлектрического; б) электромагнитного. Umax=1 В. 
Другие предметы Университет Измерение электрического напряжения измерение напряжения магнитоэлектрический прибор электромагнитный прибор электротехника системы измерения Umax 1 В показания приборов характеристики измерителей
Для нахождения показаний измеряющих напряжение приборов различных систем, таких как магнитоэлектрические и электромагнитные, необходимо учитывать, как каждый из этих приборов реагирует на переменное напряжение. Рассмотрим оба случая по отдельности.
а) Магнитоэлектрический приборМагнитоэлектрические приборы работают на основе взаимодействия магнитного поля с электрическим током. Для нахождения показаний такого прибора необходимо учитывать, что он может измерять как постоянное, так и переменное напряжение, но с некоторыми ограничениями. В данном случае, если Umax = 1 В, то прибор будет показывать значения, которые находятся в пределах этого максимального значения.
Исходя из приведенных значений:
Электромагнитные приборы измеряют переменное напряжение за счет взаимодействия магнитного поля с катушкой, в которую подается ток. Они также могут измерять как постоянное, так и переменное напряжение, но, как правило, их показания будут зависеть от частоты переменного тока.
Прибор будет показывать те же значения, что и магнитоэлектрический, однако важно отметить, что для переменного тока показания могут быть приведены к эффективному значению.
Эффективное значение переменного напряжения (Uэфф) можно рассчитать, если известно максимальное значение (Umax). Для синусоидального сигнала Uэфф = Umax / √2.
В нашем случае:
Теперь применим это значение к показаниям:
Таким образом, показания обоих приборов будут аналогичны, за исключением случаев, когда значения превышают максимальное допустимое напряжение. В таком случае оба прибора покажут максимальное значение в 1 В.