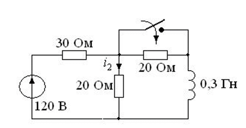
Определить τ постоянную времени переходного тока i2(t). 
Другие предметы Университет Постоянная времени в электрических цепях постоянная времени переходный ток электротехника университет τ i2(t) 0,25 мс 20 мс 25 мс 2,5 мс
Чтобы определить постоянную времени переходного тока i2(t), необходимо понимать, что такое постоянная времени в контексте электрических цепей. Постоянная времени (τ) — это время, за которое ток или напряжение в цепи изменяется до 63,2% от своего конечного значения после переключения.
В случае RL-цепи (сопротивление и индуктивность) постоянная времени τ определяется по формуле:
где:
Теперь, чтобы определить τ, вам нужно знать значения индуктивности и сопротивления в вашей цепи. Если они известны, подставьте их в формулу и получите значение τ.
Если у вас есть данные о переходном процессе и указанные значения 0,25 мс, 20 мс, 25 мс и 2,5 мс, то вам нужно проанализировать, какое из этих значений может соответствовать постоянной времени τ.
Для этого вы можете использовать следующие шаги:
Если у вас нет значений L и R, вам нужно будет их измерить или получить из условий задачи. Как только вы получите τ, вы сможете понять, как быстро происходит переходный процесс в вашей цепи.