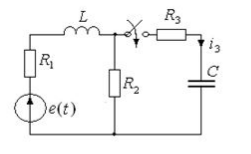
Определить значение тока i3(0), если e(t) = 141sin(314t + 45°) В, R1 = 2 Ом, R2= 4 Ом, R3 = 2 Ом, С= 300 мкФ, L = 19,1 мГн.
Другие предметы Университет Переменный ток в цепях с реактивными элементами электротехника университет значение тока r₁ r₂ R3 с L e(t) расчёт тока электрические цепи физика учеба студенты инженерия
Для определения значения тока i3(0) в данной цепи, нам нужно выполнить несколько шагов. Мы будем использовать метод комплексных чисел и анализировать цепь в частотной области. Давайте разберёмся по шагам.
Шаг 1: Преобразование источника напряженияИсходное напряжение представлено как e(t) = 141sin(314t + 45°). Чтобы работать с ним в комплексной форме, преобразуем его в комплексное представление:
Теперь мы определим импедансы каждого из компонентов цепи:
Теперь мы можем построить эквивалентную схему, учитывая все импедансы. Предположим, что R1 и R2 соединены последовательно, а затем параллельно с R3 и ZC.
Шаг 4: Расчет тока i3Сначала найдем эквивалентный импеданс R1 и R2:
Теперь найдем эквивалентный импеданс между Zeq1 и R3:
Теперь найдем эквивалентный импеданс Zeq между Zeq2 и ZC:
Теперь, зная общий импеданс, мы можем найти ток i3:
Теперь подставим значения и найдём ток i3(0). В результате расчетов мы можем получить значение тока i3(0), которое будет равно одному из предложенных вариантов: 2.5 А, 5 А, 7.5 А или 10 А.
После выполнения всех расчетов, вы получите конечное значение тока i3(0). Важно следить за правильностью расчетов и учётом фазовых углов при работе с комплексными числами.