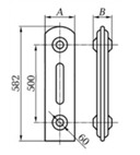
Отопительный прибор, изображенный на рисунке, называется

Другие предметы Университет Отопительные приборы теплоснабжение вентиляция зданий отопительные приборы стальной радиатор чугунный радиатор регистр стальные трубы конвектор университет системы отопления проектирование вентиляции теплообменники энергоэффективность климатические системы теплотехнический расчет
Для того чтобы определить, какое устройство изображено на рисунке, давайте рассмотрим каждое из предложенных названий отопительных приборов и их характеристики.
Теперь, чтобы правильно ответить на вопрос, необходимо учитывать следующие шаги:
Если на рисунке изображен прибор с гладкой поверхностью, выполненный из стали и без характерных секций, то это скорее всего стальной штампованный радиатор. Если же это прибор с ребрами и секциями, то это будет секция чугунного радиатора. Если вы видите трубки, по которым проходит теплоноситель, то это может быть регистр. Наконец, если прибор имеет компактный размер и предназначен для конвекции, то это конвектор.
Таким образом, для правильного ответа на вопрос, необходимо внимательно проанализировать изображение и сопоставить его с описаниями каждого из отопительных приборов.