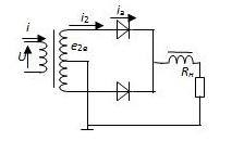
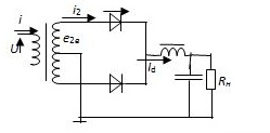
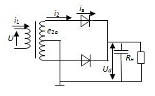
При каком из приведенных фильтрах выпрямитель работает в режиме прерывистого тока id { ток на выходе выпрямителя)?



Другие предметы Университет Выпрямители и фильтры выпрямитель режим прерывистого тока схемотехника фильтры ток на выходе университет
Чтобы определить, при каком из приведенных фильтров выпрямитель работает в режиме прерывистого тока, необходимо рассмотреть основные характеристики фильтров и режимы работы выпрямителей.
Режимы работы выпрямителей:
Фильтры:
Таким образом, для того чтобы выпрямитель работал в режиме прерывистого тока, необходимо, чтобы емкость фильтра (если это конденсаторный фильтр) была недостаточной для сглаживания пульсаций, либо чтобы индуктивность (в случае индуктивного фильтра) была слишком мала.
Вывод: Если вы видите фильтр с недостаточной емкостью или индуктивностью, то выпрямитель будет работать в режиме прерывистого тока. Если же фильтр достаточно эффективен, ток будет непрерывным.