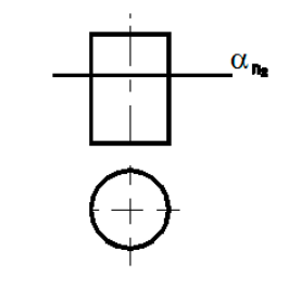
При пересечении цилиндра плоскостью, см. рисунок, получается геометрическая фигура – ... 
 
Другие предметы Университет Пересечение тел в пространстве пересечение цилиндра плоскостью начертательная геометрия геометрическая фигура университет рисунок 3D моделирование геометрические фигуры
При пересечении цилиндра плоскостью получается геометрическая фигура, которая зависит от положения плоскости относительно цилиндра. Давайте рассмотрим основные варианты:
Таким образом, наиболее распространенные фигуры, возникающие при пересечении цилиндра плоскостью, это круг и эллипс. Для точного определения фигуры необходимо учитывать положение плоскости и ее угол наклона относительно цилиндра.