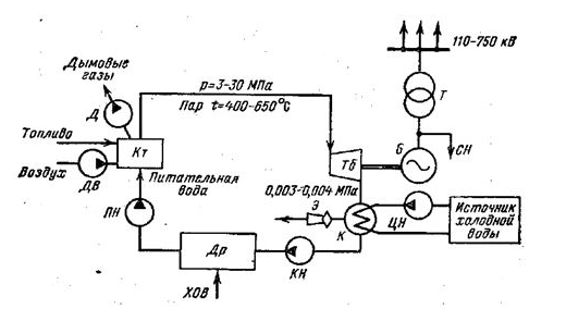
Принципиальная схема какой станции изображена на рисунке:

Другие предметы Университет Принципиальные схемы электрических станций ГАЭСК ЭСТЭЦ ГЭС АЭС электрические станции подстанции принципиальная схема университет энергетика электроснабжение
Для определения, какая именно станция изображена на рисунке, необходимо рассмотреть каждую из предложенных аббревиатур и понять, что они означают:
Теперь, чтобы выяснить, какая из этих станций изображена на рисунке, нужно обратить внимание на ключевые элементы схемы:
Таким образом, внимательно проанализировав рисунок и сопоставив его с описаниями, вы сможете определить, какая именно станция изображена. Если у вас есть возможность, опишите, что именно изображено на рисунке, и я помогу вам более точно определить, о какой станции идет речь.