В какой из приведенных схем возможен энергообмен между источником постоянного напряжения и реактивными элементами нагрузки?



Другие предметы Университет Энергообмен в электрических цепях энергообмен источник постоянного напряжения реактивные элементы схемы электроники промышленная электроника университетская программа
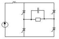
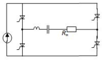
Для понимания того, в какой из схем возможен энергообмен между источником постоянного напряжения и реактивными элементами нагрузки, необходимо рассмотреть, как ведут себя реактивные элементы (индуктивности и емкости) в электрических цепях.
Реактивные элементы, такие как конденсаторы и катушки индуктивности, не потребляют энергию в виде тепла, как это делают резисторы. Вместо этого они накапливают энергию в электрическом или магнитном поле и могут возвращать ее обратно в цепь. Это означает, что для того, чтобы происходил энергообмен, в схеме должны присутствовать такие элементы.
Рассмотрим основные случаи:
Таким образом, для того чтобы в схеме с источником постоянного напряжения происходил энергообмен с реактивными элементами, необходимо наличие переменного составляющего, например, в виде переключающих элементов или дополнительных источников переменного напряжения.
Если в вашей задаче есть конкретные схемы, то наиболее вероятно, что энергообмен возможен в той схеме, где присутствуют как индуктивные, так и емкостные элементы, и при этом есть возможность изменения параметров тока или напряжения.