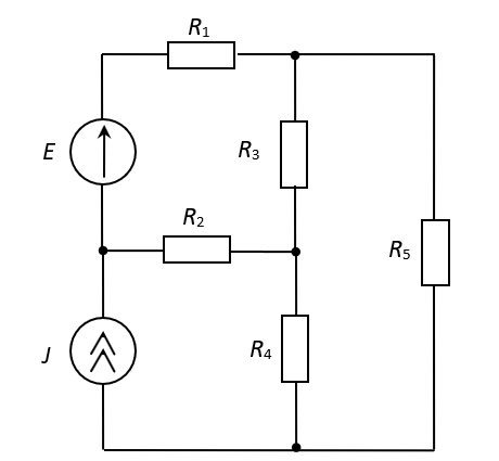
Величина ЭДС источника в исследуемой цепи увеличилась (новое значение 30 В). Повлияет ли это на величину параметров эквивалентного источника? 
 
Другие предметы Университет Эквивалентные цепи источников тока и напряжения электротехника ЭДС источника эквивалентный источник внутреннее сопротивление параметры цепи изменение ЭДС анализ цепи исследование источника университет учебные материалы
Для того чтобы ответить на вопрос, давайте разберёмся с понятиями, связанными с эквивалентным источником и его параметрами.
Эквивалентный источник представляет собой модель реального источника, в которой учитываются его электродинамические характеристики: ЭДС (электродвижущая сила) и внутреннее сопротивление.
Теперь рассмотрим ситуацию, когда величина ЭДС источника в цепи увеличилась до 30 В. Это изменение ЭДС может повлиять на параметры эквивалентного источника. Давайте проанализируем возможные варианты:
Таким образом, правильный ответ: Изменится величина ЭДС эквивалентного источника и эквивалентного внутреннего сопротивления. Это связано с тем, что изменение ЭДС источника в цепи обычно указывает на изменение его характеристик, что может повлиять и на внутреннее сопротивление.