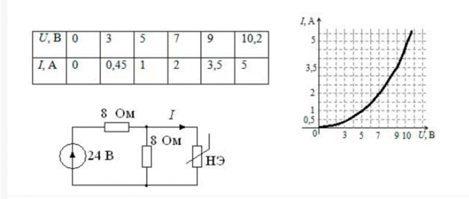
Вольтамперная характеристика нелинейного элемента задана таблично и графически. Определить ток в ветви с нелинейным элементом. 
Другие предметы Университет Вольтамперные характеристики нелинейных элементов вольтамперная характеристика нелинейный элемент ток в ветви электротехника решение задачи графическое представление табличные данные анализ ВАХ университет электрические цепи
Для решения задачи о нахождении тока в ветви с нелинейным элементом, нам необходимо учитывать вольтамперную характеристику (ВАХ) этого элемента. ВАХ показывает зависимость тока от напряжения на элементе, и, как правило, для нелинейных элементов эта зависимость не является линейной.
В вашем случае у нас есть несколько значений тока: 1,5 A, 6 A и 3 A. Однако, чтобы правильно определить ток в ветви, нам нужно знать соответствующее напряжение и как оно соотносится с заданными значениями тока на ВАХ.
Шаги для решения:
Если же ВАХ нелинейного элемента не задана для больших значений, как вы упомянули, это может затруднить решение задачи. В таком случае:
Таким образом, если у вас есть конкретные данные о напряжении и соответствующие значения на ВАХ, вы сможете определить ток в ветви с нелинейным элементом. Если данных недостаточно, задача действительно может оказаться нерешаемой.