
Другие предметы Колледж Логические схемы и триггеры схемотехника Q(t+1) Q(t) S=1 R=0 колледж цифровые схемы логические функции временные диаграммы основы схемотехники
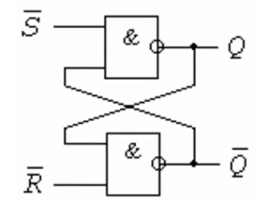
Чтобы определить значение Q(t+1), давайте разберем, что означают переменные и условия, которые у нас есть:
Теперь, основываясь на этих значениях, мы можем использовать формулы, которые применяются в схемотехнике для определения следующего состояния Q(t+1) в зависимости от текущего состояния Q(t), входа S и сброса R.
Если у нас есть D-триггер (или SR-триггер), то его поведение можно описать следующим образом:
Итак, в данном случае, когда Q(t) = 0, S = 1 и R̅ = 0, итоговое значение Q(t+1) будет:
Q(t+1) = 0