
Другие предметы Колледж Логические схемы и триггеры схемотехника Q(t+1) Q(t) S=1 R=0 колледж задачи по схемотехнике
Чтобы определить, каким будет значение Q(t+1), если Q(t) = 0, S = 1 и R = 0, давайте рассмотрим основные понятия, связанные с Q-алгоритмами и их применением в схемотехнике.
Шаг 1: Понимание переменных
Шаг 2: Анализ логики
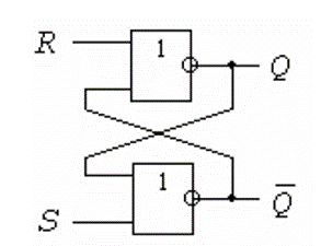
Система, в которой мы работаем, может быть представлена в виде триггера или какого-то другого устройства, которое использует входные сигналы для изменения своего состояния. В данном случае, мы имеем:
Шаг 3: Определение Q(t+1)
Согласно правилам работы триггеров, если S = 1 и R = 0, то триггер устанавливается в состояние "1". Таким образом, если Q(t) = 0, то:
Таким образом, мы можем заключить, что:
Q(t+1) = 1В итоге, после анализа всех условий и логики, мы пришли к выводу, что Q(t+1) будет равно 1, если Q(t) = 0, S = 1 и R = 0.