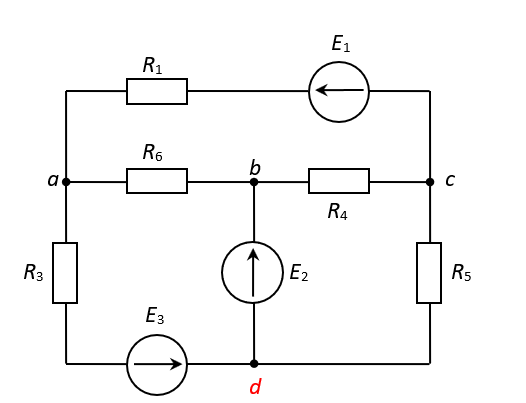
В предложенной схеме узел d выбран базовым. Сколько независимых уравнений необходимо составить по методу узловых напряжений? 
 
Другие предметы Колледж Метод узловых напряжений электротехника колледж узловые напряжения метод узлов независимые уравнения схема узла базовый узел
Для решения задачи о количестве независимых уравнений, которые необходимо составить по методу узловых напряжений, давайте разберем основные моменты.
Метод узловых напряжений основан на применении закона Кирхгофа для узлов. В этом методе мы определяем напряжения на узлах схемы относительно выбранного базового узла. В данной ситуации базовым узлом выбран узел d.
Шаги для определения количества независимых уравнений:
Таким образом, если в вашей схеме, например, 4 узла, то:
Следовательно, в этом случае необходимо составить 3 независимых уравнения.
Ответ: Три.