Вопрос:
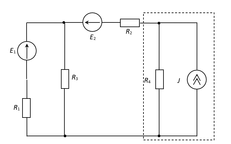
В рассматриваемой схеме перед проведением расчетов выделенный участок преобразован к виду последовательной схемы замещения источника. Сколько уравнений по методу узловых напряжений необходимо будет составить в полученной после преобразования схеме?
Другие предметы Колледж Метод узловых напряжений электротехника колледж узловые напряжения схема замещения расчет электрических схем метод узловых напряжений количество уравнений преобразование схемы последовательная схема учебные вопросы по электротехнике
Для того чтобы определить, сколько уравнений по методу узловых напряжений необходимо составить в преобразованной схеме, давайте рассмотрим несколько ключевых моментов.
1. Понимание узловой точки:
2. Определение узлов:
3. Пример:
Таким образом, чтобы ответить на ваш вопрос, необходимо точно знать, сколько узлов в преобразованной схеме. Если, например, в схеме два узла, потребуется два уравнения. Если три узла - три уравнения и так далее.
Вывод: Если в преобразованной схеме два узла, то необходимо составить два уравнения. Если три узла - три уравнения. Если недостаточно данных о количестве узлов, то нельзя точно ответить на вопрос.